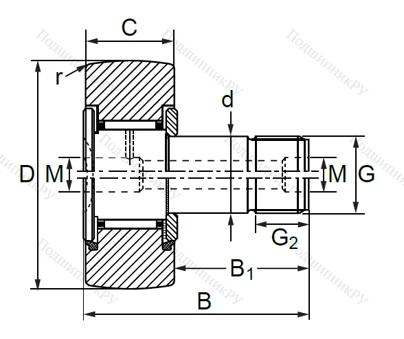
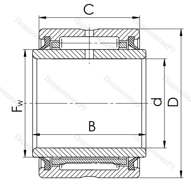
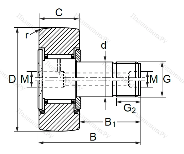
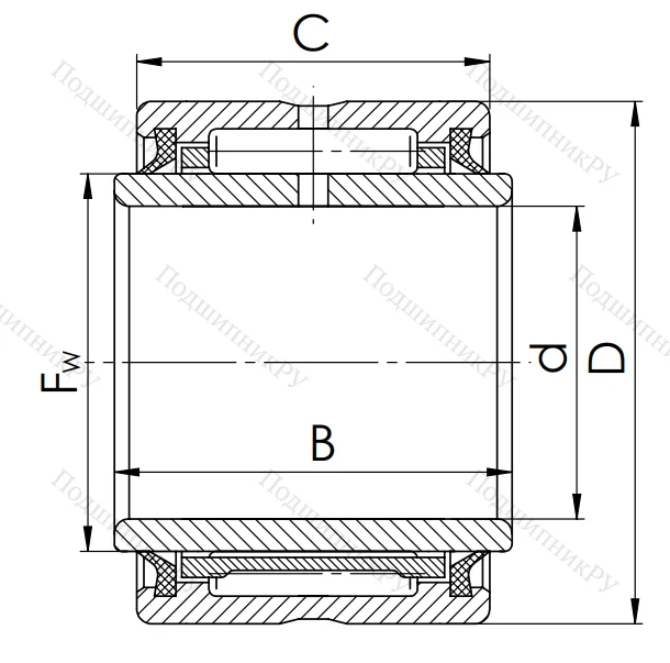
Игольчатые подшипники обеспечивают максимальную радиальную грузоподъемность при минимальных габаритах. Благодаря тонким иглам узел занимает в несколько раз меньше места, чем в классических роликовых подшипниках, сохраняя при этом огромную площадь контакта. Это позволяет передавать высокие крутящие моменты в ограниченном пространстве карданных валов и коробок передач.
Игольчатые подшипники > страница 14
Внимание: для уточнения актуальной цены, наличия и условий поставки рекомендуем обратиться к менеджеру отдела продаж. Отгрузка отдельных позиций может занимать от 2 рабочих дней, так как товары находятся на разных складах на территории РФ.
Связаться с менеджером
Часто задаваемые вопросы
Насколько критичен перекос вала для игольчатого подшипника?
Перекос недопустим. Из-за большой длины игл даже отклонение в несколько угловых минут вызывает концентрацию напряжения на краях роликов. Это приводит к моментальному выкрашиванию металла и разрушению сепаратора. При невозможности обеспечить соосность посадочных мест необходимо устанавливать самоцентрирующиеся опоры.
Как найти замену, если на старой детали нет маркировки?
Замерьте штангенциркулем три контрольные точки: диаметр вала (внутренний размер), диаметр отверстия в корпусе (внешний размер) и ширину гнезда. Если подшипник работал без внутреннего кольца, замеряется именно диаметр вала. По этим цифрам вычисляется серия, после чего подбирается тип сепаратора исходя из оборотов и рабочей температуры узла.
Пластиковый (полиамидный) сепаратор хуже стального?
Нет, он предназначен для других задач. Полиамид легче, работает тише и лучше переносит кратковременный дефицит смазки, но его температурный предел ограничен +120°C. Для работы в горячих цехах или при постоянном перегреве следует выбирать только стальные или латунные сепараторы.
Производители
Все
ASAHI
BECO
Bosch-Rexroth
DKF
ELGES
EPK
FAG
FBJ
FERSA
FKL
Gamet
GPZ
HIWIN
IKO
INA
ISB
ISB EcoLine
ITN
JNS
KG
KOYO
LPZ
MPZ
NACHI
NBS
NKE
NPZ
NSK
NTN
NTN-SNR
PFI
PSL
RHP
Samick
SKF
SNR
SPZ-GROUP
TIMKEN
TORRINGTON
VBF
VPZ
VPZ-15
ZEN
ZKL
ZVL
ZWZ
АПП
ГПЗ
ГПЗ-1
ГПЗ-10
ГПЗ-10-ГПЗ
ГПЗ-11
ГПЗ-15
ГПЗ-2
ГПЗ-23
ГПЗ-24
ГПЗ-3
ГПЗ-30
ГПЗ-300
ГПЗ-34
ГПЗ-4
ГПЗ-5
ГПЗ-6
ГПЗ-7
ГПЗ-8
ГПЗ-9
ЕПК
КПК
МПЗ
ППЗ
СПЗ-3
СПЗ-4
СПЗ-9
Новости
Все новости
24 мая 2023
Инновационные диски для шлифовки от Osborn
26 апреля 2023
Станки
18 апреля 2023
Ветроэнергетика
28 марта 2023
Целлюлозно-бумажная отрасль

























