- Технические характеристики и другая информация предоставляются для справки.
- Чертежи и изображения представлены для ознакомления
Подшипник роликовый упорно-радиальный 29356
Подшипник роликовый упорно-радиальный 29356 поставляется в разборном исполнении, благодаря чему процесс монтажа и демонтажа в значительной степени облегчен. Имеет латунный, полиамидный или алюминиевый сепаратор, может идти без шин. Сдвоенные варианты обеспечивают прочный крепеж вала.
Чем характеризуется Подшипник роликовый упорно-радиальный 29356?
- Создан для эксплуатации в узлах, подвергающихся нагрузкам осевого типа, и может монтироваться только на вертикальных валах.
- Обладает более широкой зоной передачи усилий в сравнении с шарикоподшипниковыми аналогами, однако предназначен исключительно для работы с малыми скоростями вращения.
- Нуждается в периодическом техобслуживании из-за более высокого сопротивления скольжению подшипниковых тел, для чего на поверхности корпуса имеется специальной смазочное отверстие для доставки смазки внутрь.
- Отличается малыми габаритами, что позволяет устанавливать его в местах с ограниченным пространством.
- Отвечает уровню качества отечественных ГОСТов 29242-91, 23526-79, 27057-86 и стандартам ИСО международного уровня.
Желаете купить Подшипник роликовый упорно-радиальный 29356 ГОСТ или его (аналог ISO), также прочие надежные изделия FAG, KOYO, NSK, SKF, SNR в нашем магазине!
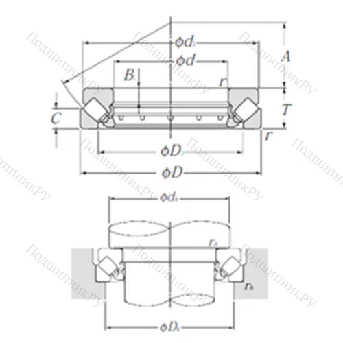
Технические характеристики
Обозначение : 29356
Размеры, мм : 280x440x95
Производитель : NTN
Диаметр внутренний, мм : 280
Диаметр наружный, мм : 440
Высота, мм : 95
Технические данные из каталога производителя :
Внутренний диаметр (d) - 280 мм.
Наружный диаметр (D) - 440 мм.
Ширина рабочая (T) - 95 мм.
Ширина внутренней обоймы (B1) - 32 мм.
Ширина наружной обоймы (C) - 46 мм.
Размер (d1) - 423 мм.
Размер (r min.) - 5 мм.
Размер (A) - 158 мм.
Размер (D1) - 348 мм.
Размер сопряженных деталей (da min.) - 350
Размер сопряженных деталей (Da max.) - 390
Размер сопряженных деталей (ra max.) - 4
Масса - 54,6 Кг
Грузоподъемность динамическая (C) - 1 800 кН
Грузоподъемность статическая (C0) - 7 250 кН
Частота вращения предельная при жидкой смазке - 790 об/мин
Вид Продукции - Подшипники
Количество дорожек качения - 1
Уплотнение - Нет
|
Производитель
|
NTN |
|
Ширина B
|
95 |
|
Внешний диаметр D
|
440 |
|
Внутренний диаметр d
|
280 |
|
Размер
|
280x440x95 |
|
Вес, кг
|
54.6 |
|
Модель
|
29356-NTN |
|
SKU
|
29356-NTN |
|
Диаметр вала d1
|
348 мм. |
Похожие по размеру
Оформить заказ на нашем сайте легко. Просто добавьте выбранные товары в корзину, а затем перейдите на страницу Корзина, проверьте правильность заказанных позиций и нажмите кнопку «Оформить заказ» или «Быстрый заказ».
Функция «Быстрый заказ» позволяет покупателю не проходить всю процедуру оформления заказа самостоятельно. Вы заполняете форму, и через короткое время вам перезвонит менеджер магазина. Он уточнит все условия заказа, ответит на вопросы, касающиеся качества товара, его особенностей. А также подскажет о вариантах оплаты и доставки.
По результатам звонка, пользователь либо, получив уточнения, самостоятельно оформляет заказ, укомплектовав его необходимыми позициями, либо соглашается на оформление в том виде, в котором есть сейчас. Получает подтверждение на почту или на мобильный телефон и ждёт доставки.
Если вы уверены в выборе, то можете самостоятельно оформить заказ, заполнив по этапам всю форму.
Выберите из списка название вашего региона и населённого пункта. Если вы не нашли свой населённый пункт в списке, выберите значение «Другое местоположение» и впишите название своего населённого пункта в графу «Город». Введите правильный индекс.
В зависимости от места жительства вам предложат варианты доставки. Выберите любой удобный способ.
Оплата
Выберите оптимальный способ оплаты.
Введите данные о себе: ФИО, адрес доставки, номер телефона. В поле «Комментарии к заказу» введите сведения, которые могут пригодиться курьеру, например: подъезды в доме считаются справа налево.
Проверьте правильность ввода информации: позиции заказа, выбор местоположения, данные о покупателе. Нажмите кнопку «Оформить заказ».
Наш сервис запоминает данные о пользователе, информацию о заказе и в следующий раз предложит вам повторить к вводу данные предыдущего заказа. Если условия вам не подходят, выбирайте другие варианты.
