Измерьте диаметр оси штангенциркулем и оцените агрессивность среды. Зная эти параметры, вы можете быстро купить подходящие подшипниковые узлы с нужным типом уплотнений и классом точности для вашего механизма.
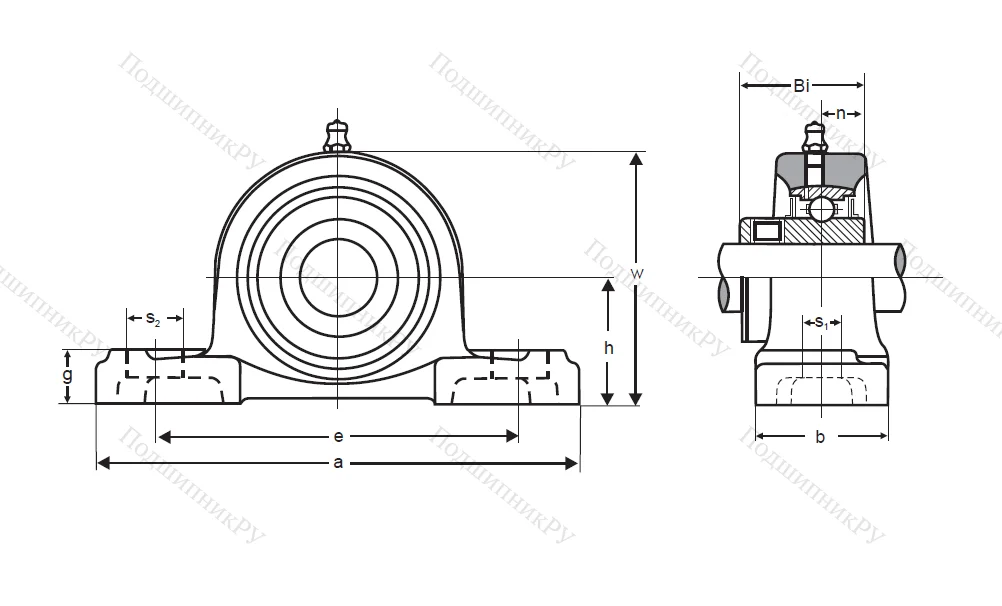
Корпусные подшипники (подшипниковые узлы) > страница 55
Внимание: для уточнения актуальной цены, наличия и условий поставки рекомендуем обратиться к менеджеру отдела продаж. Отгрузка отдельных позиций может занимать от 2 рабочих дней, так как товары находятся на разных складах на территории РФ.
Связаться с менеджером
Часто задаваемые вопросы
Что важнее при выборе?
Все элементы работают в жесткой связке. Неправильно выбранный материал треснет от вибраций, а неверный способ стопорения внутреннего кольца подшипника приведет к провороту на оси. Обязательно учитывайте надежную фиксацию при экстремальных нагрузках.
Какие требования к обслуживанию у этих механизмов?
Если подшипниковые узлы оснащены пресс-масленкой, шприцуйте их литиевыми составами строго согласно заводскому регламенту. Необслуживаемые узлы со смазкой на весь заявленный срок службы вскрывать и промывать растворителями категорически запрещено.
На что обратить внимание при установке на оборудовании?
Тщательно очистите посадочную поверхность от ржавчины и металлических заусенцев. При затяжке болтов крепления используйте динамометрический ключ, чтобы не деформировать чугунные лапы. Дополнительно проверьте соосность, чтобы не перегружать подшипниковые узлы и смежные узлы оборудования.
Производители
Все
ASAHI
BECO
Bosch-Rexroth
DKF
ELGES
EPK
FAG
FBJ
FERSA
FKL
Gamet
GPZ
HIWIN
IKO
INA
ISB
ISB EcoLine
ITN
JNS
KG
KOYO
LPZ
MPZ
NACHI
NBS
NKE
NPZ
NSK
NTN
NTN-SNR
PFI
PSL
RHP
Samick
SKF
SNR
SPZ-GROUP
TIMKEN
TORRINGTON
VBF
VPZ
VPZ-15
ZEN
ZKL
ZVL
ZWZ
АПП
ГПЗ
ГПЗ-1
ГПЗ-10
ГПЗ-10-ГПЗ
ГПЗ-11
ГПЗ-15
ГПЗ-2
ГПЗ-23
ГПЗ-24
ГПЗ-3
ГПЗ-30
ГПЗ-300
ГПЗ-34
ГПЗ-4
ГПЗ-5
ГПЗ-6
ГПЗ-7
ГПЗ-8
ГПЗ-9
ЕПК
КПК
МПЗ
ППЗ
СПЗ-3
СПЗ-4
СПЗ-9
Новости
Все новости
24 мая 2023
Инновационные диски для шлифовки от Osborn
26 апреля 2023
Станки
18 апреля 2023
Ветроэнергетика
28 марта 2023
Целлюлозно-бумажная отрасль




































